홈
-
커뮤니티
-
전문가 리뷰
전문가 리뷰
| 상품 평점 |
총평
점
성능 점
가성비 점
상품구성 점
|
|---|
요즘 AMD 4세대 라이젠(Ryzen) 프로세서가 인기만점이다. 3세대 라이젠과 비교하면 적게는 10%, 많게는 40%까지 성능이 높아졌으니 한동안 PC 업그레이드에 관심 없었던 사람들도 혹할 정도이다.
그런데 신나게 업그레이드 준비를 하던 사람들은 한 가지 문제 때문에 조금 당혹감을 느낄 수 있다. 현재 4세대 라이젠은 모델이 4개 있는데 그 중에서 라이젠 5 5600X만 쿨러를 주기 때문이다.
이전 세대 라이젠 프로세서들은 하이엔드(고급형) CPU 모델 일부만 쿨러 없이 판매했으니 소비자 입장에서는 AMD가 애플의 친환경 정책을 모방한 것은 아닌가 합리적 의구심이 들 정도이다.
아쉽기는 하지만 4세대 라이젠 성능이 워낙 독보적이기 때문에 결국 지름신 강림을 막지 못하고 구매할 수밖에 없다. 새로운 CPU 쿨러로 함께 말이다. 기왕 업그레이드하는 거 CPU 쿨러도 좋은 것을 써보고 싶은 것이 인지상정인데 그로 인해 요즘에는 평범한 공랭 쿨러 대신 일체형 수랭 쿨러에 관심을 가지는 이들이 많은 편이다.
서린씨앤아이 역시 국내에 일체형 수랭 쿨러를 선보이고 있는데 그 중 하나인 ‘Lian Li GALAHAD AIO 360 ARGB’(이하 리안리 갤러해드 AIO 360 ARGB)를 이번 기사에서 살펴보겠다.
원탁의 기사 품격 담긴 리안리 갤러해드 AIO 360 ARGB
리안리 갤러해드 AIO 360 ARGB는 말끔한 하얀색과 광택 있는 알루미늄 하우징 디자인이 눈길을 끈다. 제품명에서 ‘갤러해드’는 고대 영국의 아서왕 전설에 나오는 원탁의 기사 중 한 명의 이름인데 하얀색 망토와 고결함으로 유명하다. 리안리 갤러해드 AIO 360 ARGB 역시 그 이름에 어울리도록 신경 쓴 제품이다.
고대 기사들이 무구를 다양하게 갖춰 입은 것처럼 일체형 수랭 쿨러인 리안리 갤러해드 AIO 360 ARGB는 여러 가지 요소로 구성된다.
큼직한 직육면체 형상인 ‘라디에이터’(radiator, 열 발산용 냉각 장치)는 알루미늄 재질이고 마치 사슬갑옷을 연상시키는 방열핀이 촘촘하게 있어서 열을 발산하기에 용이하다. 냉각수 이동 통로인 튜브(길이 400mm)도 달려있다.
튜브는 워터 블록(water block, 펌프가 내장된 금속 매개체)에도 연결되어 있다. 워터 블록에서 평평한 구리판이 CPU와 맞닿는데, CPU 작동 시 생기는 열이 냉각수와 펌프를 통해 순환된다. 구리판에는 손상 방지용 보호 필름이 붙어 있다.
120mm 쿨링팬 3개는 라디에이터에 장착하여 사용한다. 라디에이터 방열핀에 전달되는 열을 빠르게 외부로 발산하기 위해서 필요한 것이다. 각 쿨링팬은 모서리 네 곳에 고무 재질 패드가 있어서 고속으로 회전해도 진동을 줄여주는 효과가 있다.
그리고 RGB LED가 내장되어서 PC 전원이 켜지고 리안리 갤러해드 AIO 360 ARGB가 작동하면 화사하게 빛을 낸다.
아무래도 공랭 쿨러와 비교하면 복잡해 보일 수밖에 없는데 너무 염려하지 않아도 된다. 사용자가 자세한 작동 원리나 구조까지 이해할 이유는 없기 때문이다. 그저 설치 방법과 사용법, 그리고 성능만 알아두면 된다. 우선 설치 방법부터 살펴보겠다.
설치 1-1단계: AMD 메인보드에 워터 블록 설치
리안리 갤러해드 AIO 360 ARGB는 PC에 설치하기 위한 부속품이 여러 가지 있다. 공랭 쿨러만 사용해본 사람이라면 막막함이 몰려올 수 있는데 차근차근 하나씩 진행해 나가면 문제없다. 설명서에 각 부속품의 분류 번호가 알파벳으로 기재되어 있으니 참고하면 된다.
우선 메인보드에 CPU를 설치하고 CPU 표면에는 ‘서멀 그리스’(분류 번호 를 발라줘야 한다. 서멀 그리스는 CPU와 워터 블록 사이에 있는 미세한 간극을 메워준다. 가능한 고르게 발라야 열 전도 효율이 높아져서 쿨러 성능을 극대화시킨다. 사용하지 않는 카드나 나무젓가락을 이용하면 어렵지 않게 바를 수 있다.
그 다음에는 리안리 갤러해드 AIO 360 ARGB 워터 블록에 부착된 보호 필름을 떼어내야 한다. 그렇지 않으면 CPU 발열이 워터 블록으로 전달되지 않고 고열 때문에 PC가 작동을 멈추거나 화재가 발생할 수 있다.
워터 블록을 메인보드에 장착하기 위해서는 종류에 맞는 클립을 준비해야 한다. 기본 장착된 클립은 인텔용이므로 4세대 라이젠으로 업그레이드하는 사람이라면 분리하고 AM4 소켓 메인보드용 ‘AMD 클립’(분류 번호 K)으로 교체한다. 클립은 손으로 잡아당기면 빠지므로 공구가 없어도 교체할 수 있다.
AMD 클립 양쪽 끝에는 나사 구멍이 있는데 거기에 ‘AMD 버클’(분류 번호 J)을 끼우고 ‘스프링 나사’(분류 번호 H)로 결합시키면 비로소 메인보드에 장착할 준비는 끝난다.
다만 스프링 나사는 처음부터 꽉 조이지 말고 느슨하게 조여야 한다. 꽉 조이면 AMD 버클이 벌어질 공간이 별로 없어서 워터 블록을 장착하기 힘들다. 메인보드 AM4 소켓 결합부에 AMD 버클 2개를 모두 꽂은 다음 스프링 나사를 조이면 된다.
설치 1-2단계: 인텔 메인보드에 워터 블록 설치
리안리 갤러해드 AIO 360 ARGB를 인텔용으로 사용하려면 기본 클립을 장착한 상태에서 조립 과정을 진행해야 한다. AMD CPU용 메인보드와 구조가 다르기 때문에 과정에 차이가 있다.
우선 인텔 CPU용 메인보드 후면에서 CPU 소켓 나사 구멍 4개에 맞춰서 ‘스페이서’(분류 번호 D)를 대고 그 위에 ‘백플레이트’(분류 번호 G)를 댄다. 백플레이트는 메인보드에 댄 상태에서 ‘AMD’라고 적힌 부분이 보여야 올바로 설치한 것이다.
그 다음에는 CPU 소켓 나사 구멍 4개와 스페이서, 백플레이트에 맞춰서 ‘M3.5 30mm 나사’(분류 번호 F) 4개를 끼운다.
그리고 메인보드 반대쪽으로 튀어나온 M3.5 30mm 나사에 맞춰서 ‘스탠드오프’(나사 지지대, 분류 번호 E)를 장착한다. 여기까지 진행했으면 워터 블록 지지대가 완성된 것이다.
M3.5 30mm 나사 4개에 맞춰서 워터 블록을 끼우고 스프링 나사를 드라이버로 조이면 워터 블록 조립은 완료된다.
AMD 쪽과 비교하면 꽤 번거로워 보이는데 인텔은 CPU 소켓 종류가 많기 때문에 그런 것이다. 인텔의 LGA 2011 / 2066 소켓 메인보드라면 ‘LGA 2011 나사’(분류 번호 I) 4개와 스프링 나사 4개만 사용해도 되기 때문에 오히려 AMD 메인보드보다 간편하다.
설치 2단계: 케이스에 라디에이터와 쿨링팬 설치
워터 블록 장착이 끝난 다음에는 라디에이터 차례이다. 쿨링팬을 3개 장착하는 3열 일체형 수랭 쿨러는 라디에이터 길이 때문에 대중적으로 사용하는 미들타워 케이스에는 맞지 않는 경우가 자주 있으므로 미리 크기를 확인할 필요가 있다.
리안리 갤러해드 AIO 360 ARGB 라디에이터 길이는 397.5mm이다. 빅타워 케이스라면 대부분 호환되지만 그래도 케이스 제조사나 유통사에 확인해보는 것이 좋다.
맨즈랩은 빅타워 케이스인 'BRAVOTEC GUARDIAN 1140M 타이탄 글래스'(이하 브라보텍 가디언 1140M)에 직접 리안리 갤러해드 AIO 360 ARGB를 설치해 보았다.
라디에이터는 케이스 상단에 장착하면 된다. 케이스 쿨링팬을 장착하는 나사 구멍에 맞춰서 라디에이터를 ‘팬 나사 B’(분류 번호 C) 12개로 고정한다.
그 다음에는 라디에이터 반대쪽에 쿨링팬을 달아야 한다. ‘팬 나사 A’(분류 번호 B) 12개가 필요하다. 쿨링팬은 위 사진에 보이는 것처럼 리안리의 번개 모양 로고가 보이도록 라디에이터에 장착해야 한다. 그렇게 해야 라디에이터로 전달된 CPU 발열이 케이스 바깥쪽으로 배출되기 때문이다.
한편 라디에이터는 케이스 전면에 설치해도 되는데 그럴 경우에는 쿨링팬 설치 방향을 반대로 해야 한다. PC 케이스는 전면에서 공기를 유입해서 후면과 상단으로 배출하는 구조여서 그렇다.
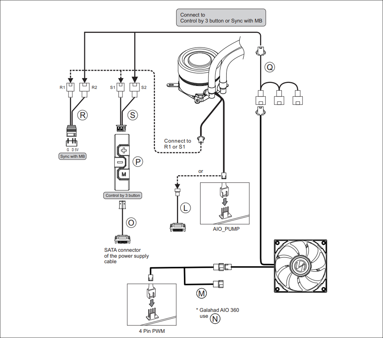
설치 3단계-워터 블록과 쿨링팬 케이블 연결
워터 블록과 라디에이터, 쿨링팬까지 PC에 장착했다면 큰 과정은 마친 셈인데 아직 중요한 것이 남았다. 워터 블록과 펌프, 쿨링팬에 전원을 공급하는 케이블 연결이다.
설명서에 있는 그림과 서린씨앤아이 홈페이지에 있는 그림을 참조하면서 진행하면 어렵지 않게 진행할 수 있다. 부속품 번호와 케이블 끝에 있는 커넥터를 잘 구분하면서 하나씩 연결해 나가면 된다.
각 케이블에 있는 커넥터는 규격이 정해져 있으므로 잘못 낄 염려는 적지만 메인보드에 있는 ARGB LED용 ‘5V 3핀 헤더’가 문제이다. ‘12V RGB 4핀 헤더’와 핀 개수만 차이 나기 때문에 혼동하기 쉬워서 그렇다.
물론 리안리 갤러해드 AIO 360 ARGB의 ‘2-in-1 ARGB SYNC 케이블’(분류 번호 R)에는 핀 구멍이 3개밖에 없어서 4핀 헤더에 연결하지 못하지만 힘을 강하게 주면 핀이 구부러지면서 들어갈 수 있기 때문에 조심해야 한다. 그렇게 무리하게 연결하면 전압 차이 때문에 RGB LED는 곧바로 고장난다.
한편 메인보드에 따라서는 5V 3핀 헤더가 없는 경우도 있는데 그럴 때는 ‘RGB 컨트롤러’(분류 번호 P)를 이용하면 된다.
M 버튼을 누르면 조명 효과 조절/속도 조절/밝기 조절/자동 모드 중 원하는 것으로 전환할 수 있다. 조명 효과 모드에서는 녹색, 조명 속도 모드에서는 빨간색, 조명 밝기 모드에서는 파란색, 자동 모드에서는 노란색으로 LED가 빛나서 구분하기 쉽다.
각 모드에서는 +/- 버튼 눌러서 설정을 변경할 수 있으며 자동 모드에서는 말 그대로 자동이어서 +/- 버튼은 작동하지 않는다.
▲ '리안리 갤러해드 AIO 360 ARGB' RGB LED 작동 모습
PC 전원을 켜면 리안리 갤러해드 AIO 360 ARGB의 워터 펌프와 120mm 쿨링팬에 장착된 RGB LED가 화려하게 빛나기 시작한다. RGB 컨트롤러를 사용해서 조명 효과 모드와 속도, 밝기, 색상을 차례차례 변경해 보았는데 이 중 사용자가 원하는 것으로 설정하면 된다.
2-in-1 ARGB SYNC 케이블로 메인보드와 연결한 경우에는 PC에서 '에이수스 아우라 싱크'(ASUS AURA SYNC), '기가바이트 RGB 퓨전 2.0'(GIGABYTE RGB FUSION 2.0), 'MSI 미스틱 라이트 싱크'(MYSTIC LIGHT SYNC) 등 ARGB 유틸리티로 메인보드와 쿨러, 쿨링팬 RGB LED를 간편하게 제어할 수 있다.
혹시 워터 블록에 있는 리안리 로고가 신경 쓰이는 사람이라면 '알루미늄 캡'(분류 번호 T)으로 가리면 된다. 자석이 내장되어서 워터 블록 위에 두면 찰싹 붙는다. 리안리 로고가 가려지더라도 워터 블록에 있는 RGB LED는 그대로 보인다.
공랭 쿨러로는 넘볼 수 없는 쿨링 성능
아서왕 전설에서 갤러해드는 최강의 기사라고 칭송 받는 인물이다. 그래서 그 이름을 쓰는 제품들은 독보적인 성능을 보여야만 이름값을 한다고 평가 받는다.
자연스럽게 리안리 갤러해드 AIO 360 ARGB의 쿨링 성능이 궁금해지기 마련인데 따끈따끈한 최신 CPU인 AMD 라이젠 7 5800X를 사용하여 얼마나 발열을 잘 해소하는지 확인해보았다.
쿨러 비교 대상으로는 라이젠 5 5600X에 기본 제공되는 공랭 쿨러 ‘레이스 스텔스’(Wraith Stealth)를 사용하였다.
테스트는 리안리 갤러해드 AIO 360 ARGB를 브라보텍 가디언 1140M에 설치한 상태에서 ‘라이젠 마스터’(Ryzen Master) 유틸리티를 사용해 CPU 온도를 재는 방법으로 실시하였다.
CPU 온도는 윈도우 10 진입 후 그대로 둔 유휴 상태와 ‘프라임95’(Prime95) 유틸리티로 30분 동안 CPU 점유율을 100%로 유지한 최대 부하(풀 로드) 상태에서 측정하였다.
레이스 스텔스 쿨러는 PC 유휴 상태에서 38℃ 내외, 리안리 갤러해드 AIO 360 ARGB는 30℃ 내외를 기록했다. CPU 최대 부하 상태에서는 레이스 스텔스가 90℃, 리안리 갤러해드 AIO 360 ARGB는 87℃ 내외를 기록해서 오히려 온도 차이가 줄었는데 CPU 클럭을 함께 봐야 한다.
제원상 레이스 스텔스로는 라이젠 7 5800X의 발열을 감당하기 어렵기 때문에 CPU 최대 부하 상태일 때 클럭이 낮아진 것이다. 리안리 갤러해드 AIO 360 ARGB를 장착한 상태에서는 클럭이 10% 정도 더 높은데도 온도는 낮게 측정되어서 충분한 쿨링 성능을 보장한다.
AMD 4세대 라이젠과 찰떡 궁합, 리안리 갤러해드 AIO 360 ARGB
AMD 4세대 라이젠으로 인해 CPU 쿨러는 당연하게 받는 서비스 품목에서 독립적인 PC 구성 요소로 위상이 바뀌었다. 소비자 입장에서는 AMD의 이런 행보가 아쉽게 느껴질 수 있지만 8코어 이상 CPU의 발열량이 서서히 증가하는 추세여서 고급형 쿨러를 이용자도 과거보다 많아졌기 때문에 어느 정도는 예견된 변화이기도 하다.
인텔 역시 10세대 코어 프로세서 중에 쿨러가 기본 제공되지 않는 모델이 다수 존재하기 때문에 AMD에 한정된 것이 아니라 CPU 업계에서 전반적인 추세라고 볼 수 있다.
결국 AMD이건 인텔이건 고급형 CPU를 선택하는 이들은 쿨러 역시 급이 맞는 제품을 선택해야만 하는데 리안리 갤러해드 AIO 360 ARGB는 그 조건에 부합한다. 쿨링 성능은 물론이고 산뜻한 디자인, 화려한 RGB LED까지 곁들여져서 조화를 이룬다.
마치 아서왕을 보필한 기사 갤러해드처럼 AMD 4세대 라이젠이 성능을 최대한 낼 수 있도록 기여할 수 있으므로 지금 이 순간 일체형 수랭 쿨러를 찾고 있는 사람들은 리안리 갤러해드 AIO 360 ARGB에 시선을 집중해 보기를 바란다.
방수호 기자
ⓒ 맨즈랩 www.manzlab.com (무단복제 및 전재, 재배포를 금지합니다)
상품의견 (0)
로그인 후 댓글 등록이 가능합니다.
